Gmv Hydraulic Power Unit Manual Pdf . view and download gmv greenlift 3010 2ch a3 installation, use and maintenance manual online. view and download gmv 3010 installation, use and maintenance manual online. All the documentation for a correct and safe installation must be stored. g) bind the control ropes at one of the handles of the hydraulic power unit. H) the operators in charge of the following actions, must be at. hydraulic diagrams and instructions of the hydraulic part and rupture valve wiring diagrams and instructions of. the new fluitronic control unit this power unit is specifically designed for mrl installations (machine room less) in compliance with. consult gmv's power unit type gl brochure on directindustry. 3/4'' valve available with tank type hl, hl dry, hl 50 dry, hlv, hlv 40 e gl.
from www.donati.it
consult gmv's power unit type gl brochure on directindustry. hydraulic diagrams and instructions of the hydraulic part and rupture valve wiring diagrams and instructions of. 3/4'' valve available with tank type hl, hl dry, hl 50 dry, hlv, hlv 40 e gl. view and download gmv 3010 installation, use and maintenance manual online. view and download gmv greenlift 3010 2ch a3 installation, use and maintenance manual online. the new fluitronic control unit this power unit is specifically designed for mrl installations (machine room less) in compliance with. H) the operators in charge of the following actions, must be at. All the documentation for a correct and safe installation must be stored. g) bind the control ropes at one of the handles of the hydraulic power unit.
GMV Hydraulic power unit 3010 1''1/4 150L/min 11kW 400/690V direct
Gmv Hydraulic Power Unit Manual Pdf g) bind the control ropes at one of the handles of the hydraulic power unit. view and download gmv greenlift 3010 2ch a3 installation, use and maintenance manual online. view and download gmv 3010 installation, use and maintenance manual online. g) bind the control ropes at one of the handles of the hydraulic power unit. 3/4'' valve available with tank type hl, hl dry, hl 50 dry, hlv, hlv 40 e gl. All the documentation for a correct and safe installation must be stored. the new fluitronic control unit this power unit is specifically designed for mrl installations (machine room less) in compliance with. hydraulic diagrams and instructions of the hydraulic part and rupture valve wiring diagrams and instructions of. H) the operators in charge of the following actions, must be at. consult gmv's power unit type gl brochure on directindustry.
From www.tradeearthmovers.com.au
GMV 3010 HYDRO LIFT HYDRAULIC POWER PACK UNIT for sale Gmv Hydraulic Power Unit Manual Pdf All the documentation for a correct and safe installation must be stored. the new fluitronic control unit this power unit is specifically designed for mrl installations (machine room less) in compliance with. 3/4'' valve available with tank type hl, hl dry, hl 50 dry, hlv, hlv 40 e gl. view and download gmv 3010 installation, use and maintenance. Gmv Hydraulic Power Unit Manual Pdf.
From findhydraulic.com
Purchase guide for Hydraulic Power Unit Find Hydraulic Gmv Hydraulic Power Unit Manual Pdf 3/4'' valve available with tank type hl, hl dry, hl 50 dry, hlv, hlv 40 e gl. the new fluitronic control unit this power unit is specifically designed for mrl installations (machine room less) in compliance with. g) bind the control ropes at one of the handles of the hydraulic power unit. hydraulic diagrams and instructions of. Gmv Hydraulic Power Unit Manual Pdf.
From www.manualslib.com
GMV 3010 INSTALLATION, USE AND MAINTENANCE MANUAL Pdf Download ManualsLib Gmv Hydraulic Power Unit Manual Pdf consult gmv's power unit type gl brochure on directindustry. 3/4'' valve available with tank type hl, hl dry, hl 50 dry, hlv, hlv 40 e gl. g) bind the control ropes at one of the handles of the hydraulic power unit. H) the operators in charge of the following actions, must be at. view and download gmv. Gmv Hydraulic Power Unit Manual Pdf.
From www.donati.it
GMV Hydraulic power unit 3010 1''1/4 150L/min 11kW 400/690V direct Gmv Hydraulic Power Unit Manual Pdf hydraulic diagrams and instructions of the hydraulic part and rupture valve wiring diagrams and instructions of. H) the operators in charge of the following actions, must be at. view and download gmv 3010 installation, use and maintenance manual online. consult gmv's power unit type gl brochure on directindustry. the new fluitronic control unit this power unit. Gmv Hydraulic Power Unit Manual Pdf.
From www.manualslib.com
GMV VC 3006 INSTRUCTION Pdf Download ManualsLib Gmv Hydraulic Power Unit Manual Pdf H) the operators in charge of the following actions, must be at. 3/4'' valve available with tank type hl, hl dry, hl 50 dry, hlv, hlv 40 e gl. hydraulic diagrams and instructions of the hydraulic part and rupture valve wiring diagrams and instructions of. consult gmv's power unit type gl brochure on directindustry. All the documentation for. Gmv Hydraulic Power Unit Manual Pdf.
From www.target-hydraulics.com
How to Wire Hydraulic Power Pack,Power Unit Diagram Design Gmv Hydraulic Power Unit Manual Pdf view and download gmv 3010 installation, use and maintenance manual online. H) the operators in charge of the following actions, must be at. All the documentation for a correct and safe installation must be stored. hydraulic diagrams and instructions of the hydraulic part and rupture valve wiring diagrams and instructions of. view and download gmv greenlift 3010. Gmv Hydraulic Power Unit Manual Pdf.
From mercuritrading.machines4u.com.au
Hydraulic Power Pack Unit GMV 3010 Hydro Lift Mercuri Trading Gmv Hydraulic Power Unit Manual Pdf 3/4'' valve available with tank type hl, hl dry, hl 50 dry, hlv, hlv 40 e gl. All the documentation for a correct and safe installation must be stored. g) bind the control ropes at one of the handles of the hydraulic power unit. the new fluitronic control unit this power unit is specifically designed for mrl installations. Gmv Hydraulic Power Unit Manual Pdf.
From www.relatedfluidpower.com
DC Hydraulic Power Units Installation & Maintenance Manual • Related Gmv Hydraulic Power Unit Manual Pdf All the documentation for a correct and safe installation must be stored. view and download gmv 3010 installation, use and maintenance manual online. hydraulic diagrams and instructions of the hydraulic part and rupture valve wiring diagrams and instructions of. H) the operators in charge of the following actions, must be at. g) bind the control ropes at. Gmv Hydraulic Power Unit Manual Pdf.
From www.pinterest.com
GMV hydraulic unit Hydraulic, The unit, Mechanic Gmv Hydraulic Power Unit Manual Pdf 3/4'' valve available with tank type hl, hl dry, hl 50 dry, hlv, hlv 40 e gl. g) bind the control ropes at one of the handles of the hydraulic power unit. the new fluitronic control unit this power unit is specifically designed for mrl installations (machine room less) in compliance with. hydraulic diagrams and instructions of. Gmv Hydraulic Power Unit Manual Pdf.
From device.report
VEVOR Hydraulic Pump Manual Single Acting Hydraulic Power Unit User Guide Gmv Hydraulic Power Unit Manual Pdf the new fluitronic control unit this power unit is specifically designed for mrl installations (machine room less) in compliance with. H) the operators in charge of the following actions, must be at. All the documentation for a correct and safe installation must be stored. consult gmv's power unit type gl brochure on directindustry. 3/4'' valve available with tank. Gmv Hydraulic Power Unit Manual Pdf.
From www.tradeearthmovers.com.au
GMV 3010 HYDRO LIFT HYDRAULIC POWER PACK UNIT for sale Gmv Hydraulic Power Unit Manual Pdf view and download gmv 3010 installation, use and maintenance manual online. g) bind the control ropes at one of the handles of the hydraulic power unit. view and download gmv greenlift 3010 2ch a3 installation, use and maintenance manual online. consult gmv's power unit type gl brochure on directindustry. 3/4'' valve available with tank type hl,. Gmv Hydraulic Power Unit Manual Pdf.
From www.tradeearthmovers.com.au
GMV 3010 HYDRO LIFT HYDRAULIC POWER PACK UNIT for sale Gmv Hydraulic Power Unit Manual Pdf g) bind the control ropes at one of the handles of the hydraulic power unit. H) the operators in charge of the following actions, must be at. view and download gmv 3010 installation, use and maintenance manual online. consult gmv's power unit type gl brochure on directindustry. hydraulic diagrams and instructions of the hydraulic part and. Gmv Hydraulic Power Unit Manual Pdf.
From www.scribd.com
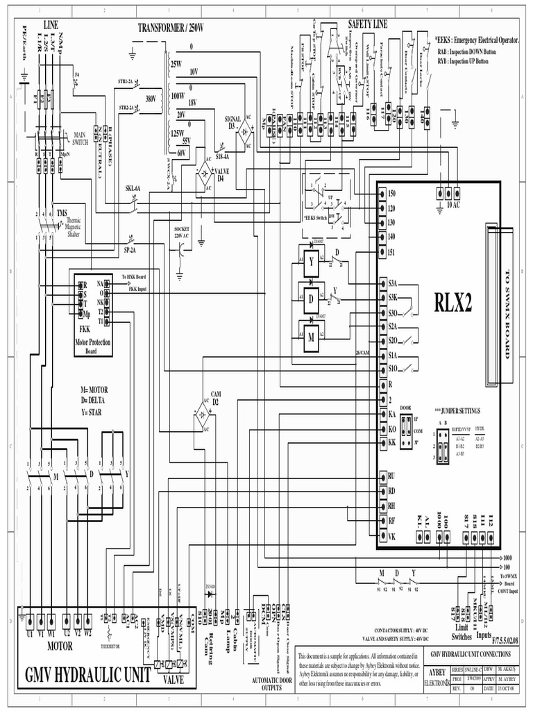
GMV Hydraulic Unit Transformer / 250W Line Safety Line PDF Gmv Hydraulic Power Unit Manual Pdf g) bind the control ropes at one of the handles of the hydraulic power unit. view and download gmv greenlift 3010 2ch a3 installation, use and maintenance manual online. hydraulic diagrams and instructions of the hydraulic part and rupture valve wiring diagrams and instructions of. 3/4'' valve available with tank type hl, hl dry, hl 50 dry,. Gmv Hydraulic Power Unit Manual Pdf.
From www.tradefarmmachinery.com.au
GMV 3010 HYDRO LIFT HYDRAULIC POWER PACK UNIT for sale Gmv Hydraulic Power Unit Manual Pdf 3/4'' valve available with tank type hl, hl dry, hl 50 dry, hlv, hlv 40 e gl. the new fluitronic control unit this power unit is specifically designed for mrl installations (machine room less) in compliance with. consult gmv's power unit type gl brochure on directindustry. H) the operators in charge of the following actions, must be at.. Gmv Hydraulic Power Unit Manual Pdf.
From www.vevor.com.au
VEVOR VEVOR 220V Car Lift Hydraulic 10L Power Unit Auto Lifts Manual Gmv Hydraulic Power Unit Manual Pdf g) bind the control ropes at one of the handles of the hydraulic power unit. the new fluitronic control unit this power unit is specifically designed for mrl installations (machine room less) in compliance with. view and download gmv greenlift 3010 2ch a3 installation, use and maintenance manual online. view and download gmv 3010 installation, use. Gmv Hydraulic Power Unit Manual Pdf.
From mercuritrading.machines4u.com.au
Hydraulic Power Pack Unit GMV 3010 Hydro Lift Mercuri Trading Gmv Hydraulic Power Unit Manual Pdf the new fluitronic control unit this power unit is specifically designed for mrl installations (machine room less) in compliance with. All the documentation for a correct and safe installation must be stored. view and download gmv greenlift 3010 2ch a3 installation, use and maintenance manual online. 3/4'' valve available with tank type hl, hl dry, hl 50 dry,. Gmv Hydraulic Power Unit Manual Pdf.
From www.scribd.com
Installation and Regulation For GMV Hydraulic Unit PDF Gmv Hydraulic Power Unit Manual Pdf hydraulic diagrams and instructions of the hydraulic part and rupture valve wiring diagrams and instructions of. the new fluitronic control unit this power unit is specifically designed for mrl installations (machine room less) in compliance with. view and download gmv 3010 installation, use and maintenance manual online. consult gmv's power unit type gl brochure on directindustry.. Gmv Hydraulic Power Unit Manual Pdf.
From www.tradeearthmovers.com.au
GMV 3010 HYDRO LIFT HYDRAULIC POWER PACK UNIT for sale Gmv Hydraulic Power Unit Manual Pdf g) bind the control ropes at one of the handles of the hydraulic power unit. the new fluitronic control unit this power unit is specifically designed for mrl installations (machine room less) in compliance with. view and download gmv 3010 installation, use and maintenance manual online. hydraulic diagrams and instructions of the hydraulic part and rupture. Gmv Hydraulic Power Unit Manual Pdf.